


China customized standard 3H Large hole power chuck
1.body material:cast iron
2.Short cylindrical connection
3.Suitable for bar processing
4.the chuck are ecnomical and practical and with high performance reliable
1.It's a CRANK type 3-jaw with the large through-hole,and extra long jaw stroke.
2.Matching surfaces of all parts hardened,ground and lubricated directly.
3.Construction of high rigidity and high clamping accuracy.
4.The installation is the same as "Through-hole power chuck" and they are replaceable with each other.No need to change the "Draw tube"
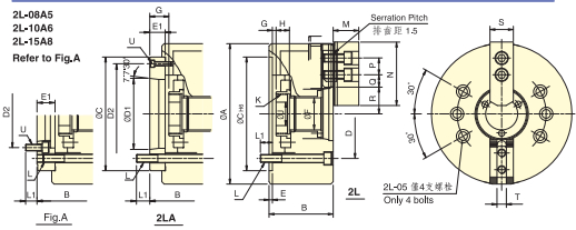
J value is the hole diameter of blank draw nut, K is thw maximum thread specification,and it could be customize.




As long as you think of, we can do it!
Please contact me:
Gailan Liu
Tel:+0086 0312 3106071
Fax:+0086 0312 3106075
mobile
http://www.baodinghl.com
skype:jsllgl2012
| Copyright(C) Baoding Wanmei Machine Co.,Ltd Contact:Miss.Liu Mobile:0086-15531272065 Phone:0086-312-3106071
Address:Longxing Business Building,Longxing Road No.77,Baoding,Hebei Province,China Support:ShiJiaZhuang HuiHuangYuan Trade c., Ltd |